相关题目
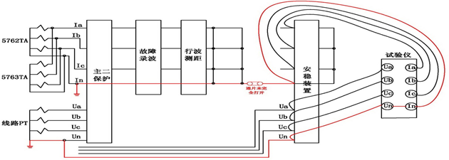
500kVxx变安全自动装置(B套)程序升级、改接线、单站调试。27日13时40分,履行完工作许可手续后,工作负责人召集工作班成员进行工作票宣读;随后持工作票,带领工作班成员到工作地点进行安全措施、安全注意事项交待,工作班成员确认清楚后,并在工作票背面签名认可。甲某某担任此次工作的工作负责人,乙某某、丙某某、丁某某作为工作班成员,甲某某负责安全监护。其中安措的实施由乙某某执行,甲某某为监护人。按照二次措施单要求完成打开安稳装置500kVxx乙线电流试验端子连接片及其他所列安全措施。500kVxx乙线电压回路为本次任务新接入,属于未运行回路,在对侧500kVxx乙线主二保护屏内已有断开点,基于此考虑未将电压回路列入安全措施。安措完成后,进行500kVxx变稳控装置程序升级。在实验加量时500kVxx变电站500kVxx乙线主二保护零序反时限过流保护动作跳ABC相。带电的电流互感器二次回路上工作时,应采取以下安全措施:( )。
500kVxx变安全自动装置(B套)程序升级、改接线、单站调试。27日13时40分,履行完工作许可手续后,工作负责人召集工作班成员进行工作票宣读;随后持工作票,带领工作班成员到工作地点进行安全措施、安全注意事项交待,工作班成员确认清楚后,并在工作票背面签名认可。甲某某担任此次工作的工作负责人,乙某某、丙某某、丁某某作为工作班成员,甲某某负责安全监护。其中安措的实施由乙某某执行,甲某某为监护人。按照二次措施单要求完成打开安稳装置500kVxx乙线电流试验端子连接片及其他所列安全措施。500kVxx乙线电压回路为本次任务新接入,属于未运行回路,在对侧500kVxx乙线主二保护屏内已有断开点,基于此考虑未将电压回路列入安全措施。安措完成后,进行500kVxx变稳控装置程序升级。在实验加量时500kVxx变电站500kVxx乙线主二保护零序反时限过流保护动作跳ABC相。二次措施单作为工作票必要的补充,宜与工作票同步填写。二次措施单的正确性和具体执行由( )负责。
500kVxx变安全自动装置(B套)程序升级、改接线、单站调试。27日13时40分,履行完工作许可手续后,工作负责人召集工作班成员进行工作票宣读;随后持工作票,带领工作班成员到工作地点进行安全措施、安全注意事项交待,工作班成员确认清楚后,并在工作票背面签名认可。甲某某担任此次工作的工作负责人,乙某某、丙某某、丁某某作为工作班成员,甲某某负责安全监护。其中安措的实施由乙某某执行,甲某某为监护人。按照二次措施单要求完成打开安稳装置500kVxx乙线电流试验端子连接片及其他所列安全措施。500kVxx乙线电压回路为本次任务新接入,属于未运行回路,在对侧500kVxx乙线主二保护屏内已有断开点,基于此考虑未将电压回路列入安全措施。安措完成后,进行500kVxx变稳控装置程序升级。在实验加量时500kVxx变电站500kVxx乙线主二保护零序反时限过流保护动作跳ABC相。本案例中的作业人员存在下列哪种违章( )。
500kVxx变安全自动装置(B套)程序升级、改接线、单站调试。27日13时40分,履行完工作许可手续后,工作负责人召集工作班成员进行工作票宣读;随后持工作票,带领工作班成员到工作地点进行安全措施、安全注意事项交待,工作班成员确认清楚后,并在工作票背面签名认可。甲某某担任此次工作的工作负责人,乙某某、丙某某、丁某某作为工作班成员,甲某某负责安全监护。其中安措的实施由乙某某执行,甲某某为监护人。按照二次措施单要求完成打开安稳装置500kVxx乙线电流试验端子连接片及其他所列安全措施。500kVxx乙线电压回路为本次任务新接入,属于未运行回路,在对侧500kVxx乙线主二保护屏内已有断开点,基于此考虑未将电压回路列入安全措施。安措完成后,进行500kVxx变稳控装置程序升级。在实验加量时500kVxx变电站500kVxx乙线主二保护零序反时限过流保护动作跳ABC相。该起事件的直接原因是( )。
500kV XX 变电站500kV XX线路转检修进行5051、5052开关CT维护等工作,其同一串边开关5053单开关运行。 XX供电局检修人员检修人员执行工作票,对5052开关CT接线盒下部二次电缆保护管进行钻孔作业时,扳手未作任何绝缘处理。工作过程中,扳手触碰到CT二次接线柱,造成C相二次绕组接地,导致500kV XX线路差动保护误动跳开运行开关。在带电的电流互感器二次回路上工作时,应采取以下安全措施:( )。
500kV XX 变电站500kV XX线路转检修进行5051、5052开关CT维护等工作,其同一串边开关5053单开关运行。 XX供电局检修人员检修人员执行工作票,对5052开关CT接线盒下部二次电缆保护管进行钻孔作业时,扳手未作任何绝缘处理。工作过程中,扳手触碰到CT二次接线柱,造成C相二次绕组接地,导致500kV XX线路差动保护误动跳开运行开关。二次措施单作为工作票必要的补充,宜与工作票同步填写。二次措施单的正确性和具体执行由( )负责。
500kV XX 变电站500kV XX线路转检修进行5051、5052开关CT维护等工作,其同一串边开关5053单开关运行。 XX供电局检修人员检修人员执行工作票,对5052开关CT接线盒下部二次电缆保护管进行钻孔作业时,扳手未作任何绝缘处理。工作过程中,扳手触碰到CT二次接线柱,造成C相二次绕组接地,导致500kV XX线路差动保护误动跳开运行开关。本案例中的作业人员存在下列哪种违章( )。
500kV XX 变电站500kV XX线路转检修进行5051、5052开关CT维护等工作,其同一串边开关5053单开关运行。 XX供电局检修人员检修人员执行工作票,对5052开关CT接线盒下部二次电缆保护管进行钻孔作业时,扳手未作任何绝缘处理。工作过程中,扳手触碰到CT二次接线柱,造成C相二次绕组接地,导致500kV XX线路差动保护误动跳开运行开关。该起事件的直接原因是( )。
1月7日10时39分,XX供电局检修人员在500kV XX电厂开展500kV第二串联络开关5722断路器CT特性试验时,09:30, 作业人员开展5722断路器CT特性试验,误将5722断路器汇控柜CT端子先短接。执行安措时,作业人员凭经验在5722汇控柜处将5722断路器CT短路,再划开,大大降低该支路阻抗,大幅分流5721断路器CT的负荷电流,导致流入2号主变差动保护A柜的电流减少,形成差流,继而导致#2主变差动保护动作。在带电的电流互感器二次回路上工作时,应采取以下安全措施:( )。
1月7日10时39分,XX供电局检修人员在500kV XX电厂开展500kV第二串联络开关5722断路器CT特性试验时,09:30, 作业人员开展5722断路器CT特性试验,误将5722断路器汇控柜CT端子先短接。执行安措时,作业人员凭经验在5722汇控柜处将5722断路器CT短路,再划开,大大降低该支路阻抗,大幅分流5721断路器CT的负荷电流,导致流入2号主变差动保护A柜的电流减少,形成差流,继而导致#2主变差动保护动作。二次措施单作为工作票必要的补充,宜与工作票同步填写。二次措施单的正确性和具体执行由( )负责。
