AI智能推荐题库-试题通 AI智能整理导入题库-试题通
×
首页 题库中心 全能型供电所岗位知识题库(通用知识) 题目详情
C9EB572F52500001B2FDCD94F2E0180F
全能型供电所岗位知识题库(通用知识)
3,255
单选题

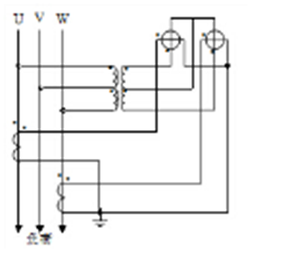
1462、下列给出的经电流、电压互感器接入的三相三线电能计量装置接线图中,完全正确的是()

A
 
B
 
C
 
D
 

答案解析

正确答案:C

解析:

解析:难易度“易”,知识点来自:教材《“全能型”乡镇供电所岗位培训教材(通用知识)》第七章模块3
题目纠错
全能型供电所岗位知识题库(通用知识)

扫码进入小程序
随时随地练习

关闭登录弹窗
专为自学备考人员打造
勾选图标
自助导入本地题库
勾选图标
多种刷题考试模式
勾选图标
本地离线答题搜题
勾选图标
扫码考试方便快捷
勾选图标
海量试题每日更新
波浪装饰图
欢迎登录试题通
可以使用以下方式扫码登陆
APP图标
使用APP登录
微信图标
使用微信登录
试题通小程序二维码
联系电话:
400-660-3606
试题通企业微信二维码