相关题目
1、【38002】一条220kV线路区外单相接地故障时,M、N两侧高频保护零序方向保护均动作跳闸,零序方向元件灵敏角为―110°,M、N两侧零序电流及零序电压录波图如下所示,试分析:(1)误动原因;(2)在哪些情况下有可能产生这种误动。
1、【38001】收到调度下达的对运行中的保护装置更改定值的通知单,要求将零序方向电流Ⅱ段的定值修改为1A、1.1秒,接地距离Ⅱ段的定值修改为3.2Ω、0.8秒。(保护双重配置,仅叙述修改其中一套保护即可)1、叙述进行该项工作的过程。2、修改定值时应注意哪些事项及采取哪些措施?3、检验工作结束后,应进行哪些工作?
1、【48007】某条线路的电流互感器变比为150/5,零序电流保护Ⅲ段的定值为4.6A,3.0s,如果电流互感器的B相极性接反或B相断线,试问当负荷电流为90A时保护是否会误动。
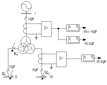
1、【48006】如图所示单电源的三绕组变压器上装设了过电流保护,已知母线Ⅰ的保护动作时限t1’=1s,母线Ⅱ的保护动作时限t2’=3s,母线Ⅲ的保护动作时限t3’=1.5s;时限级差△t=0.5s。已知一侧断路器跳开后,另外两侧还能继续运行。试求:(1)整定动作时限t1、t2、t3。(2)分析下面几种条件下过电流保护的动作情况:1)K1点发生K(3)但Ⅱ母线保护拒动;2)K2点发生K(3)但Ⅲ母线保护拒动;3)K3点发生K(3)但变压器主保护拒动。
1、【48005】某线路在合上开关后由盘表读得以下数据:线路电压500kV;有功功率为0;受无功300MvAr,请问线路处在什么状态?已知线路TA变比为1250/1,如此时需要在某一套线路保护盘上进行相量检查,若该保护的交流回路接线正确,所测的结果应该怎样?并画出相量图。
1、【48004】某变电站有两套相互独立的直流系统,同时出现了直流接地告警信号,其中,第一组直流电源为正极接地;第二组直流电源为负极接地。现场利用拉、合直流熔断器的方法检查直流接地情况时发现,在当断开某断路器(有两组跳闸线圈)的任一控制电源时,两套直流电源系统的直流接地信号又同时消失,请问如何判断故障的大致位置,为什么?
1、【48003】某自耦变压器的分相电流差动保护的二次电流按星型分别接于变压器的高压侧、中压侧及中性点的分相TA,TA变比均为1200/1(若分相电流差动保护无电流平衡系数)。试问做该保护的平衡试验时如何加电流才使差动继电器无差流?
1、【48002】若主变接地后备保护中零序过流与间隙过流共用一组TA有何危害?
1、【48001】下图为某变压器的开关控制回路图,如按该图接线,传动时会发生什么问题?请将不对的地方改正确。
1、【58005】变压器新安装或大修后,投入运行发现:轻瓦斯继电器动作频繁,试分析动作原因?应怎样处理?
