相关题目
单选题
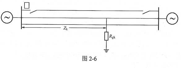
76.在图2—6所示线路BC两相运行状态下,在距保护安装Zk(正序阻抗)点发生B相单相接地短路。流过保护的B、C相电流和零序电流分别为
。短路点B、C相电压分别为
和
1)试写出金属性短路时保护安装处母线的B相和C相电压
和
的表达式。2)当金属性短路时B相接地阻抗继电器的测量阻抗是多少?
单选题
75.在线路发生相间故障时,接地阻抗元件是否会动作?零序电流保护是否会动作?
单选题
74.在线路故障的情况下,正序功率方向是由母线指向线路,为什么零序功率方向是由线路指向母线?
单选题
73.大接地电流系统中,可以切除输电线路接地故障的保护主要有哪几种?
单选题
72.接地阻抗I段定值按可靠躲过本线路末端故障整定。请问接地阻抗I段定值整定为本线路正序阻抗的多少倍?
单选题
71.助增电流和汲出电流将会对距离保护的哪几段产生影响?
单选题
70.故障点过渡电阻对阻抗元件的正确动作有什么影响?
单选题
69.线路L的M侧电动势超前N侧电动势,在线路L内发生经过渡电阻短路时,过渡电阻对M侧距离保护I段有何影响?
单选题
68.在三段式距离保护中,最易受振荡影响的是哪段阻抗元件?
单选题
67.电力系统振荡为什么会使距离保护误动作?
