相关题目
单选题
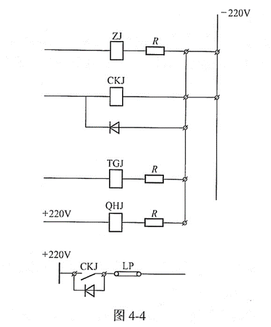
38.保护直流二次回路实际接线如图4.4所示,试分析回路中存在的问题,并加以改正。
单选题
37.请问下列叙述是否正确。如果是错误,请问为什么?“所有试验仪表、测试仪器在接通电源后,均必须按使用说明书的要求在被测保护屏的接地点做好相应的接地”
单选题
36.跳闸回路或信号输出回路为什么要至少用两个相反的逻辑口线来控制?
单选题
35.请问,为防止变压器后备阻抗保护电压断线误动,应该采取什么措施?
单选题
34.请问下列叙述是否正确。如果是错误,请问为什么?“所有发电机、变压器的阻抗保护,都必须经电流起动,并应有电压回路断线闭锁”
单选题
33.一组电流互感器,其内部二次绕组的排列方式如图4—3所示,L1靠母线侧,L2靠线路侧。其中第4组绕组位测量级。问:线路保护、母差保护电流回路应接入哪一组,为什么? 
单选题
32.电压互感器二次中性线两点接地,在系统正常运行或系统中发生两相短路时,对保护装置的动作行为是否有影响?
单选题
31.断路器操作箱中防跳继电器的作用是什么?
单选题
30.直流中间继电器的消弧回路有哪几种?
单选题
29.投入或经更改的电流回路应利用负荷电流进行哪些检验?
