相关题目
单选题
145.>、正弦电压
的波形如图所示,则
=()。
单选题
143.>、电源电压为380V,采用三相四线制供电,负载为额定电压220V的白炽灯,负载应采用()连接方式,白炽灯才能在额定情况下正常工作。
单选题
142.>、某感性负载的功率因数为0.5,接在220V正弦交流电源上,电流为10A,则该负载消耗的功率为()。
单选题
141.>、将额定值为220V、100W的灯泡接在110V电路中,其实际功率为()。
单选题
140.>、有“220V、100W”“220V、25W”白炽灯两盏,串联后接入220V交流电源,其亮度情况是()。
单选题
139.>、某电阻元件的额定数据为“1KΩ、2.5W”,正常使用时允许流过的最大电流为()。
单选题
138.>、基尔霍夫电压定律、电流定律()。
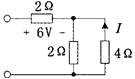
单选题
137.>、下图中电流I为()。
单选题
136.>、图a)所示电路的戴维南等效电路为图b)中的()。
单选题
135.>、电路如图所示,如果电阻R1增大,则电流表○A的读数()。

nT+Qn
。