相关题目
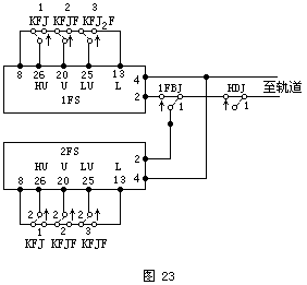
7.6502电气集中电路里的解锁网络办理正常解锁时解锁网络的动作规律是怎样的?
正常解锁时,如果车运行方向是从左到右,则进路继电器1LJ先励磁吸起,同区段的进路继电器2LJ后励磁吸起,第一个区段解锁后,第二个区段解锁,由进路始端向终端逐段解锁。(5分)如果运行方向从右到左,则进路继电器2LJ先励磁吸起,同区段的进路继电器1LJ后励磁吸起,也是第一个区段解锁后,第二个区段解锁,由进路始端至终端逐段解锁。(5分)
6.使用电缆故障测试仪测试电缆故障一般分几个步骤进行?
分三个步骤进行,具体如下:
第一步是测量出任意两根正常电缆芯线的环线电阻2RL;
第二步是测量出测试点至故障点间一根电缆芯线的电阻RX;(5分)
第三步是计算测试点至故障点的距离LX;
Lx=RX×L/RL
其中,L为电缆芯线的长度。(5分)
5.试述执3线的作用及该网络线若断线将如何发现?
执3线的作用主要是为了行车安全,防止列车前方道岔区段迎面错误解锁。(2分)在正常使用时,车占用那一个区段,哪个区段的QJJ落下,为解锁该区段做好了准备,并利用该区段的FDGJ前接点和1LJ、2LJ的接点给执3线继续供KF电源,使车尚未压入的区段的QJJ保持吸起,1LJ、2LJ无法励磁,因而可防止在错按SGA时,使进路错误迎面解锁。(5分)当执3线断线时,从故障点的前一个区段起不能正常解锁,因故障点后的QJJ都提前落下,车压入该区段时,FDGJ无法吸起,致使解锁电路不能正常解锁,即发现执3线断线。(3分)
4.在调车信号组合里KJ自闭电路中XJJ第6组前接点的作用是什么?
若在列车完全进入信号机内方(XJ↓),进路始端区段的SJ尚未吸起时,误碰进路始端按钮,此时FKJ就会吸起自闭。(2分)如果在KJ电路中不接入XJJ第6组前接点,KJ就会经FKJ前接点又构通一条自闭电路,待第一区段的SJ吸起后,KJ也不落下,在列车出清整条进路后,由于KJ吸起与ZJ的缓放时间配合,使XJJ重新吸起,进而使进路重新锁闭,信号错误重复开放。(3分)在KJ自闭电路中加入XJJ第6组前接点后,就可以避免上述现象发生。(5分)
3.在有两个发车口的站,当向主要线路方向发车时,为使出站信号机不闪两个绿灯,采取了什么措施?
采取的措施是:(1)当信号开放时,使ZXJ先于LXJ吸起,ZXJ吸起后用接点切断第二个绿灯的点灯电路,然后用前接点接通第一个绿灯的点灯电路待LXJ吸起后,使第一个绿灯点亮,信号机则显示一个绿灯。为实现ZXJ先吸起,LXJ后吸起,在ZXJ的励磁电路中要经过LXJF的后接点。而LXJ的励磁电路里则要经过与ZXJ串联励磁的XFJ的前接点。(5分)
(2)当关闭信号时,要使LXJ先落下,ZXJ后落下,LXJ落下时,用其前接点首先切断两个绿灯的点灯电路,使信号关闭,这样就不会出现ZXJ落下时闪两个绿灯的现象。为使LXJ先落下,ZXJ后落下。在ZXJ的自闭电路中接入LXJF的前接点。(5分)
2.XJJ局部电路中,XJJ第一组接点有可作用?
(1)调车进路内,若只有一个道岔区段,接近区段又保留有车,当车出清进路后,防止XJJ再次吸起。若无此接点在车出清进路DXJ缓放期间,XJJ会重新吸起,使QJJ吸起,使刚吸起的1LJ、2LJ又落下,因而使进路不能正常解锁,信号错误保留。(5分)(2)办理调车中途折返作业时,保证牵出进路XJJ在车列折返退出后不会重新吸起,使牵出进路按中途返回解锁电路自动解锁。(5分)
1.选择信号电缆径路应避开哪些地点?
选择信号电缆径路时应避开下列地点:酸、碱、盐聚集、石灰质、污水、土质松软承受重压可能复发生大量塌陷危险的地带,(5分)以及道岔的岔尖、辙岔心、钢轨接头等处所。(5分)
75.请画ZP-89型双线单向四显示自动闭塞一般闭塞分区发送编码电路图?画出一般闭塞分区编码情况表?
一般闭塞分区发送编码电路图:
图(8)
一般闭塞分区编码情况表:

74.请画ZP-89型双线单向三显示自动闭塞一般区间信号点发送编码电路图?运行前方闭塞分状况与发码关系表?
一般区间信号点发码器电路图(图7)
图(7)
运行前方闭塞分区状态与发码关系表:(请复印《新型移频自动闭寒》表2-17)
18号可动心轨道岔第一牵引点开口为98mm,第二牵引点开口为58mm。(3分)
