相关题目
64.画图说明UM71轨道电路匹配单元TAD.LFS的构成及工作原理?
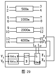
匹配单元主要由匹配变压器和电缆模拟网络构成。TAD.LFS框图见图(14): 
图(14)(4分)
匹配单元用于发送器或接收器与轨道之间阻抗匹配用4700μF起隔直流作用,变压器完成与电缆匹配用,10mH电感能改善匹配和分路作用。(2分)
另外在TAD.LFS中设有л型电缆模拟网络,它们可模拟500m、l000m、2000m、4000rn电缆。(2分)
因车速加大,在轨道旁调整和维修TAD.LFS时会危及人身安全,又因电缆模拟网络的接线板端子质量差,在行车震动后连线易脱落,焊接线也易脱焊,会危及行车安全,因此TAD中的电缆模拟网络应移设到继电器室。(2分)
63.UM71轨道电路对扼流变压器有什么要求?
在交流电气化区段,若站内采用25Hz相敏轨道电路,区间采用UM71电气绝缘轨道电路时,在站内和区间的交界处的进站口、出站口皆设有机械绝缘节。为了使牵引电流畅通,设置了扼流变压器,见图(12)(BE1-600/25为25Hz扼流变压器;BC1-140/25为25Hz轨道变压器)。(2分)
图(12)(2分)
在区间上、下行轨道电路中,SVA不在同一平行位置,并在SVA之间的距离大于100m时,考虑平衡牵引电流加装等电位线,需增设扼流变压器,见图(13)。(2分)
图(13)(2分)
图12、图13中的扼流变压器BE1-600/25,信号侧4、5开路,从牵引线圈测试阻抗Z12,此值应大于17Ω。测牵引线圈阻抗时,加在线圈1-2的电压大小为实际使用中的电压值。BE1-600/25扼流变压器Z12阻抗值大于17Ω。经测试开气隙的BE1-600/25扼流变压器,因阻抗Z12小于17Ω,所以此种扼流变压器不能使用在UM17区段。(2分)
2600Hz时的钢轨阻抗为21.147∠85.77°Ω/km,道碴电阻为1.5Ω·km,轨道电路的特性阻抗Zc为5.652∠42.9°Ω/km,电气绝缘节的节阻抗为1.71∠24.9°Ω/km。这时轨道电路的固有衰耗β=2.75Np。从以上数据说明.轨道电路特性阻抗Zc与电气绝缘节的节阻抗严重不匹配,移频信号能量绝大部分消耗在电气绝缘节内。信号在轨道中传输衰耗大,信息传得不会远。(2分)而在每100m的轨道电路中并33μF电容后,轨道电路的特性阻抗为1.67∠2.2°Ω,此值与节阻抗接近,有1/2的能量向轨道电路传输,并电容后轨道电路的固有衰耗β为1.15Np,因此信号可以传送1500m。(4分)
补偿电容最佳值与以下参数有关:最小道碴电阻、电容间距、钢轨阻抗、轨距、载频频率等。(2分)
62.UM71轨道电路为什么在轨道电路中要并联电容?电容值与什么条件有关?
61.不平衡电流系数的限定值是多少?应如何计算?
我国电气化铁路现行的技术要求是:交流电气化区段轨道电路纵向不平衡牵引电流的含量不应大于总牵引电流的5%。(5分)设两根钢轨分别为A、B轨,IA为A轨中流过的电力牵引电流,IB为B轨中流过的电力牵引电流,不平衡电流系数的计算公式如下:
不平衡电流系数=(IA-IB)/(IA+IB)(3分)
设某一电气化区段中:IA=208A、IB=192A(1分)
则其不平衡电流系数=(208-192)/(208+192)=16/400=4%(1分)
60.电气化区段双轨条轨道电路的不平衡电流是如何产生的?
电力牵引电流是通过扼流变压器中性点,经两个半边线圈,两根钢轨而回归牵引变电所的。扼流变压器的两个半边线圈匝数相等(阻抗相等),两根钢轨的长度相等(钢轨阻抗相等),故从基木原理上讲两根钢轨上通过的牵引电流应是相等的(每根钢轨均通过50%的牵引电流回流)。但实际上通过两根钢轨的牵引电流是不平衡的。产生不平衡电流的原因有以下几方面的因素:(2分)
(1)轨道电路处于弯道上,曲线线路的外轨长而内轨短,形成两根钢轨的钢轨阻抗不相等。(2分)
(2)钢轨接头电阻是由塞钉连接线、轨端焊接线、连接夹板三方面组成的并联电阻,每个钢轨接头电阻不可能完全一致,由各个钢轨接头电阻组成的整个长钢轨阻抗与另一侧的钢轨阻抗就存在差异。(2分)
(3)扼流变压器牵引线圈中性点
(4)两边的线圈阻抗不可能绝对相等,两侧的钢轨引接线电阻也可能有微小的差异,形成扼流变压器中性点两边的阻抗不相等;而牵引回流要经过多个扼流变压器的中性点后才能回归到牵引变电所,两根钢轨由此而形成的阻抗是不一致的。(2分)
(5)轨道电路的对地漏泄不平衡,即两根钢轨对地漏泄导纳的不相等。(2分)
59.电力牵引电流对信号轨道电路干扰主要有些情况?
应考虑以下几种情况:
(1)轨道继电路(GJ)错误吸起,在区间造成信号错误显示、在站内造成信号错误显示或有关电路错误解锁。(2分)
(2)轨道继电器(GJ)错误落下,在区间错误显示停车信号、在站内错误显示停车信号、在站内引起有关电路错误解锁。(2分)
(3)轨道继电器(GJ)落下延误,在区间使停车信号延迟显示、在站内使停车信号延迟显示、使锁闭(或解锁)电路动作不正常。(2分)
(4)二元二位轨道继电器(GJ)翼板振动使继电器正常动作的可靠性削弱、使继电器内部机械结构的磨耗加剧。(4分)
58.为什么说信号电流频率的选择是轨道电路防干扰的一个重要问题?
在频率的选择上,应该首先说明的是:即使在直流电力牵引时信号电流频率选用50Hz也是不相宜的。(由于各种电力传输线路的设置,车站照明广泛地采用交流电,牵引变电所整流器工作的不正常等,所有这些因素都迫使我们担心频率5Ohz交流电的影响而必然要求我们选用其他的信号频率。因此,最好的方案是选用能适合于任何电力牵引制度的信号电流频率。(4分)在频率选择上,还应该说明的是:一般情况下只要信号频率选成区别于50Hz牵引电流的基波和谐波(只考虑奇次谐波),使之干扰很小,不能错误地动作接收设备即可,但在实际上,当牵引电流的波形上不对称时,将出现偶次谐波;另外,电网的工频50Hz有正或负的0~2Hz的漂移,这就给采用较高的频率制式带来困难,因有频漂,工频的奇次谐波与额定频率的偶次谐波相差值将随偶次谐波次数的增大而缩小。(3分)例如48Hz和52Hz的15次谐波分别为720Hz和78OHz,它与7O0Hz比和8OOHz的偶次谐波只相差2OHz,或仅相差2.9%-2.5%,高于15次的奇次谐波与相应额定频率的偶次谐波更加接近而不易区分,尽管谐波的幅度随谐波次数的增加而急剧地减小,但对于接收灵敏度高而牵引电流的干扰很大时,即使不考虑偶次谐彼的干扰,由于频漂的奇、偶相近,也给选定信号频率带来一定的困难。由此可知,选定的信号电流频率需要既不同于电力牵引电流的基波,也不同于奇次和偶次谐波,且在接收设备的设计和制造时使之具有鲜明的频率选择性,以确保轨道电路可靠地正常动作,是比较理想的。
因此,电气化区段的轨道电路。除了应满足一般轨道电路的基本要求外,尚有一项重要的技术要求,即要在受到牵引电流(基波及谐波)的干扰下,仍能保证完成轨道电路功能的防护干扰的能力。(4分)
57.机车升弓电流对信号设备有什么影响?有什么防护措施?
机车升弓电流就是即将启动的瞬间牵引电流。这电流值一般是很高的,它的瞬间冲击对25Hz相敏轨道电路继电器的正常工作影响也是较大的。(3分)其瞬间电流的影响就可使相邻或不相邻区段的轨道继电器瞬间误动,这就造成了某区段闪红光带,使开放的信号关闭。(3分)为了避免这个影响,现都采用了加装复示继电器的方法来防止误动,即把复示继电器接点用于联锁电路中。另外还可以采用加装适配器的办法,来消除升弓电流的影响。(4分)
56.电气化铁路开通前工程验交中应着重注意哪些方面?
电气化铁路工程接触网供电前验交应着重注意以下几个方面的问题:
①按电气化区段要求的地线连接是否符合要求,接地电阻是否标准,尤其不能存在合用地线情况。(1分)
②电缆屏蔽连接是否按要求做好。(1分)
③继电器箱外壳、信号机机柱梯子和信号机机柱构等需焊接连通接地处是否接好焊牢。(1分)
④各轨道电路中性连接板及接吸上线、连接线处是否按规定接好、接实。(1分)
⑤按设计要求站内横向连接线是否连接齐全,同时还要分析列车在每一区段运行时的回流情况,验证有无被遗留的区段不能回流。(1分)
⑥检查复验各建筑限界,尤其是高柱信号机是否侵限。(1分)
⑦检查高柱信号机机构距接触网带电部分距离不应小于2m,距回流线不小于0.7m,否则应加装防护网或采取其他防护措施。(4分)
