相关题目
单选题
5.《居民用户家用电器损坏处理办法》第七条规定:从家用电器损坏之日起( )日内,受害居民客户未向供电企业投诉并提出索赔要求的,即视为受害者已自动放弃索赔权。
单选题
4.《电力设施保护条例》规定:1-10kV架空电力线路保护区为导线边线向外侧水平延伸并垂直于地面所形成的两平行面内( )米的区域。
单选题
3.《电力法》第三十二条规定,对危害供电、用电安全和扰乱供电、用电秩序的,( )有权制止。
单选题
2.《电力设施保护条例》是( )。
单选题
1.在所有电力法律法规中,具有最高法律效力的是( )。
单选题
7.下图表示的是( )?
单选题
6.下图表示的是( )?
单选题
5.下图属于( )电路图?
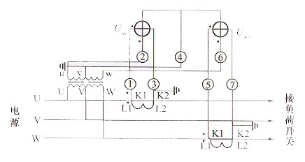
单选题
4.下图为( )接线图?
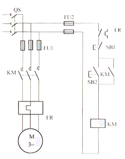
单选题
3.下图为( )图?
