20.雷雨天的深夜,一居民住宅(土木结构一层,40m2)发生火灾, 由于该住宅地处偏远,火灾将屋顶烧坍塌后自然熄灭。次日早晨,附近群众发现了灾情并从现场扒掘出户主李某的尸体。当地消防救援机构接警后及时赶到现场进行勘验,发现现场存在以下痕迹特征,一是该住宅门为双扇木门,其中一扇有浓重的烟熏痕迹,另一扇完好未被烟熏;二是尸体被发现时平躺在床上,尸体解剖发现呼吸道内无烟尘炭末,床铺附近墙面上有大量喷溅状血迹;三是室内地面平铺的人造革形成不连续的局部炭化洞,许多炭化洞表面并没有附着上方塌落的固体可燃物。根据以上痕迹,请回答下列问题:[难](2)痕迹二表明,户主李某( )。
答案解析
相关题目
10.某住宅小区建有一座地下一层汽车库,建筑面积 5168 平方米,
整个车库为一个防火分区,停车位 120 个,设人员安全出口和汽车疏散出口各一个,并设有火灾自动报警系统、自动喷水灭火系统、火灾应急
照明和疏散指示标志等。问:(1)该车库防火分类为几级,耐火等级为几级?(2)车库防火分区的划分是否符合要求?为什么?(3)安全出口的设置是否符合要求?为什么?(4)该车库现设置的主要消防设施是否符合规范要求?[难]
9.某重要科研楼为一类高层建筑,需在计算机房、资料室、实验室、仪器仪表室、电梯机房、发电机房、厨房、锅炉房、汽车库等处设置火灾探测器。房间高度不超过 5 米,室内有集中空调。问:(1)哪些部位宜选择感温探测器?(2)宜选择何种型式的火灾自动报警系统?(3) 火灾事故广播扬声器的设置应有哪些要求?[难]
8.某高层单元式住宅,地上 15 层(全为住宅),地下 1 层(为地下
车库,停车位 25 个),高 44 米,每层建筑面积 870 平方米。问:(1)应设置何种形式的楼梯间,楼梯是否应通至屋顶?(2)是否应设消防电梯,设几台?(3)地下停车库为几类车库,是否应设自动喷水灭火系统和火灾自动报警系统?[难]
7.一座建筑高度为 5l 米且设有集中空气调节系统的综合楼。地下二层为设备用房,地下一层为汽车停车库;地上一至三层为商场,每层层高 4.5 米;地上四层以上为公寓式写字间,每层层高 3.6 米,走道宽 2 米。问:(1)该建筑火灾自动报警系统宜采用哪些报警系统型式?(2)汽车库宜选择哪种探测器?(3)商场大厅在平顶棚上设置感烟探测器时,其一只探测器保护面积和保护半径分别应为多少?(4)写字间走道顶棚上居中设置感烟探测器时,其安装间距不应超过多少米?[难]
6.某电信大楼中心机房、数据存贮室、UPS 电源室布置在同一层, 拟分三个防护区,设置一套组合分配式七氟丙烷气体灭火装置,灭火剂
量按最大一个防护区—中心机房进行设计,系统储存容器增压压力为5.6+0.1Mpa(表压),储存充装量不大于 1080kg/立方米。三个防护区之间采用普通玻璃隔断,气瓶库设在中心机房,用砖墙单独隔开,门开向中心机房,但采用甲级防火门。问:(1)采用七氟丙烷气体灭火装置是否合适?(2)灭火剂用量按最大一个区设计是否满足要求?(3)防护区采用普通玻璃是否符合要求?(4)气瓶间设置正确与否?[难]
5.某医院病房楼,建筑高度 26 米,地上 7 层,地下一层,每层建
筑面积 1800 平方米,设置自动喷淋,自动报警,消火栓系统,两端各设置一部疏散楼梯。问:(1)该建筑属于哪一类高层建筑?(2)其最大安全疏散距离是多少?(3)需要设置几部消防电梯?(4)疏散楼梯的最小净宽度是多少?[难]
4.某市区一加油站,内设有埋地卧式 30 立方米汽油罐 3 个和 30 立
方米柴油罐 2 个,有卸油和加油油气回收系统,该加油站与周围建筑的防火间距符合规范要求。站内油罐通气管直径为 40mm,管口距地面的高度 3.5 米,管口与站内独立燃煤锅炉房防火间距 20 米。问:(1)该加油站属几级加油站?(2)油罐通气管的设置是否符合要求?为什么?(3)通气管管口与站内锅炉房的防火间距是否符合要求?(4)该加油站内可否不设消防给水系统?[难]
3.问:(1)请识别图中的设施?它主要由哪几部分组成?[难](2)请指出图中存在的问题?(3)若该设施的上压力表有压力读数,下压力表的压力为 0,请问可能是什么原因?
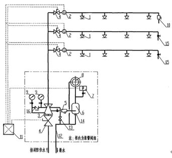
2.下图为湿式自动喷水灭火系统构成示意图。问:(1)请说出图中序号为 2、7、10、13、15 对应部件的名称及用途?(2)自动启动供水泵的部件是哪个?规范对其功能有何要求?(3)该类系统有哪些供水设施?[难] 
1.下图 1—6 为闭式喷头。问:这些闭式喷头是什么类型?如何选用?[难] 
