扫码进入小程序随时随地练习
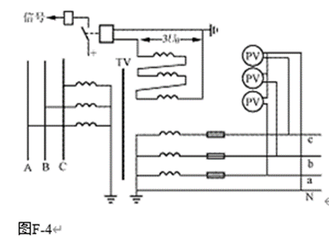
12.图F-4为小电流接地系统交流绝缘监视的原理接线图,说明工作原理。
11.按图F-3说明通常采用的开关事故跳闸音响监视回路是如何工作的?
10.如图F-2说明储能电容器组进行定期检查的工作原理。
9.图F-1为闪光装置的接线图,说明其作用。
8.电力网电能损耗中的理论线损由哪几部分组成?
7.什么是沿面放电?影响沿面放电电压的因素有哪些?
6.测量绝缘电阻的作用是什么?
5.什么叫绝缘的介质损失?测量介质损失有什么意义?
4.试述金属氧化物避雷器保护性能的优点。
3.电力系统中产生铁磁谐振过电压的原因是什么?
为了提高加载速度和练习体验,每3000道题目分为一段,请选择您要练习的分段:
请选择您要练习的章节,系统将加载该章节下的所有题目:
请设置各类题型的数量和分值,系统将随机抽取题目生成试卷:
提示:非会员最多300题,会员最多1000题
请勾选纠错类型,并填写需要修改的内容。
以下是您的考试记录,点击可查看详情:
举报电话:400-660-3606
举报邮箱:Nantongbaiyi@163.com