相关题目
单选题
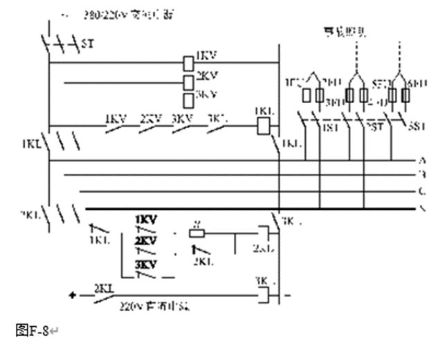
16.如图F-8变电站事故照明原理图的工作过程。
单选题
15.如图F-7变压器强油循环风冷却器工作和备用电源自动切换回路的切换过程。
单选题
14.说明图F-6直流绝缘监视装置接线图各元件的作用。
单选题
13.图F-5为直流母线电压监视装置电路图,说明其作用。
单选题
12.图F-4为小电流接地系统交流绝缘监视的原理接线图,说明工作原理。
单选题
11.按图F-3说明通常采用的开关事故跳闸音响监视回路是如何工作的?
单选题
10.如图F-2说明储能电容器组进行定期检查的工作原理。
单选题
9.图F-1为闪光装置的接线图,说明其作用。
单选题
8.电力网电能损耗中的理论线损由哪几部分组成?
单选题
7.什么是沿面放电?影响沿面放电电压的因素有哪些?
