相关题目
单选题
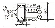
132、如图所示的箍筋,其中⑤号箍筋的下料长度为( )mm(保护层厚度为25mm)。
单选题
131、某件的计算标注尺寸为L=5950mm,直径为18mm,两端做180°的弯钩,则该钢筋的下料长度为( )mm。
单选题
130、某楼板纵向配HRB335级钢筋为Ф10@120,板长为3900mm,板宽为4200mm,板的钢筋数量为( )根。
单选题
129、基础中纵向受力钢筋的混凝土保护层(无垫层)的厚度不应小于( )mm。
单选题
128、图示中③号弯起钢筋的下料长度为( )mm(保护层厚度为25mm)。
单选题
127、某梁的构件长度为4250mm,保护层厚度为25mm,其梁箍筋配筋为Ф8@200,则箍筋的根数为( )。
单选题
126、图示中①号钢筋的下料长度为( )mm。(保护层厚度为25mm)
单选题
125、(工料计算)钢筋需用量=施工图净用量x( )。
单选题
124、放大样是按( )比例对钢筋或构件进行放样。
单选题
123、由于各种构件在工程结构中( )不同,应根据其一般设计原理对钢筋的大样图进行审查。
