扫码进入小程序随时随地练习
68、晶闸管二端并接阻容吸收电路可起哪些保护作用?
67、抗干扰有几种基本方法?
66、绝缘栅双极晶体管(IGBT)有哪些特点?
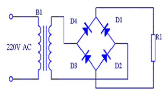
65、下图的名称及功能?
64、光电编码器的工作原理?
63、AFE整流/回馈单元的优点?
62、应用互感器应注意什么?
61、异步电动机的定子频率控制方式,有:
60、异步电机转动原理?
59、西门子PLC五种编程语言分别是什么?
为了提高加载速度和练习体验,每3000道题目分为一段,请选择您要练习的分段:
请选择您要练习的章节,系统将加载该章节下的所有题目:
请设置各类题型的数量和分值,系统将随机抽取题目生成试卷:
提示:非会员最多300题,会员最多1000题
以下是您的考试记录,点击可查看详情: