扫码进入小程序随时随地练习
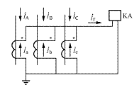
86. 变压器三相负载不对称时将出现( )电流。
85. 变压器空载时一次绕组中有( )流过。
84. 变压器温度计是指变压器( )油温。
83. 变压器变比与匝数比( )。
82. 变压器投切时会产生( )。
81. 变压器绕组首尾绝缘水平一样为( )。
80. 变压器油酸价指( )。
79. 变压器油闪点指( )。
78. 变压器不能使直流变压的原因是( )。
77. 变压器油箱中应放( )油。
为了提高加载速度和练习体验,每3000道题目分为一段,请选择您要练习的分段:
请选择您要练习的章节,系统将加载该章节下的所有题目:
请设置各类题型的数量和分值,系统将随机抽取题目生成试卷:
提示:非会员最多300题,会员最多1000题
请勾选纠错类型,并填写需要修改的内容。
以下是您的考试记录,点击可查看详情:
举报电话:400-660-3606
举报邮箱:Nantongbaiyi@163.com