相关题目
单选题
5. 某电源的相电压U相是6kV,如接成星形,它的线电压是多少?如果uA=UmsintkV,写出各相、线电压的瞬时值表达式。
单选题
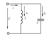
4. 图D-2所示L、C并联电路中,其谐振频率f0=30MHz,C=20pF,求L的电感值。
图D-2
单选题
3. 有一对称三相正弦交流电路,负载为星形连接时,线电压为380V,每相负载阻抗为10电阻与15感抗串接,试求负载的相电流是多少?
单选题
2. 如图D-1所示,其中:R1=5、R2=10、R3=8、R4=3、R5=6,试求图中A、B端的等效电阻R?
图D-1
单选题
1. 一电炉取用电流为5A,接在电压为220V的电路上,问电炉的功率是多少?若用电8h,电炉所消耗的电能为多少?
单选题
330. 什么是变电站微机综合自动化系统中的事故追忆?
单选题
329. 变电站综合自动化系统的信息主要来源于哪些方面?
单选题
328. CSC2000变电站综合自动化系统一般具有哪些功能?
单选题
327. CSC2000变电站综合自动化系统有何特点?
单选题
326. 强迫油循环风冷变压器冷却装置全停后,变压器最长运行多长时间?为什么不能再继续运行?
