相关题目
18. 将220V、100W的灯泡接在220V的电源上,允许电源电压波动±10%(即242~198V),求最高电压和最低电压时灯泡的实际功率。
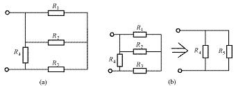
17. 如图D-9所示,R1=R2=R3=R4,求等效电阻R。
图D-9
16. 正弦交流量的频率分别为50Hz和820kHz时,它们的周期和角频率各为多少?
15. 已知条件如图D-8所示,求R5上的电流I5和总电流I。
图D-8
14. 已知通过某支路的正弦交流电的频率为1Hz,Im=10mA,初相角=/4。试写出电流的函数式,并求当t=0.5s时,电流的瞬时值。
13. 已知一个R、L串联电路,其电阻和感抗均为10,试求在线路上加100V交流电压时,电流是多少?电流电压的相位差多大?
12. 在磁感应强度为0.8T的磁场中有一条有效长度为0.15m的导线,导线在垂直于磁力线的方向上切割磁力线时,速度为20m/s,求导线中产生的感应电动势E的大小。
11. 电场中某点有一个电量Q=20C的点电荷,需用F=0.01N的力才能阻止它的运动,求该点的电场强度。
10. 图D-7所示电路中,已知C1=1F,C2=3F,C3=6F,C4=2F,各电容器原不带电,求加上电压U=100V后各电容器上的电压。
图D-7
9. 图D-6所示电路中,各支路的电流的正方向已标出,试列出各节点的电流方程式。
图D-6
