相关题目
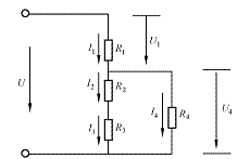
21. 如图D-10所示,U=120V、R1=30、R2=10、R3=20、R4=15,求I1、I2、I4、U1和U4。
图D-10
20. 某正弦电流的初相为30°,在t=T/2时,瞬时值为0.4A,求这个正弦电流的有效值。
19. 有一单相全波整流电路,要求输出直流电压为110V,电流为3A。试计算Udrm和Id的值。
18. 将220V、100W的灯泡接在220V的电源上,允许电源电压波动±10%(即242~198V),求最高电压和最低电压时灯泡的实际功率。
17. 如图D-9所示,R1=R2=R3=R4,求等效电阻R。
图D-9
16. 正弦交流量的频率分别为50Hz和820kHz时,它们的周期和角频率各为多少?
15. 已知条件如图D-8所示,求R5上的电流I5和总电流I。
图D-8
14. 已知通过某支路的正弦交流电的频率为1Hz,Im=10mA,初相角=/4。试写出电流的函数式,并求当t=0.5s时,电流的瞬时值。
13. 已知一个R、L串联电路,其电阻和感抗均为10,试求在线路上加100V交流电压时,电流是多少?电流电压的相位差多大?
12. 在磁感应强度为0.8T的磁场中有一条有效长度为0.15m的导线,导线在垂直于磁力线的方向上切割磁力线时,速度为20m/s,求导线中产生的感应电动势E的大小。
