相关题目
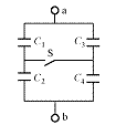
27. 如图D-16所示电路,4个电容器的电容各为C1=C4=0.2F,C2=C3=0.6F。试求:(1)开关S打开时,ab两点间的等效电容。(2)开关S合上时,ab两点间的等效电容。
图D-16
26. 如图D-14所示,U为正弦交流电压,已知XL=10,开关S打开和合上时,电流表A的读数都是5A,试求容抗XC。
25. 如图D-13所示的三相四线制电路,其各相电阻分别为Ra=Rb=20,Rc=10。已知对称三相电源的线电压UL=380V,求相电流、线电流和中线电流。
图D-13
24. 已知条件如图D-12所示,求各支路电流I1、I2、I3。
图D-12
23. 某串联电路中R=10、L=64H、C=100F,电源电动势E=0.5V,求发生谐振时各元件上的电压。
22. 如图D-11所示,电路中的总功率是400W,求rx及各个支路电流I(R取整数,I保留两位小数)。
图D-11
21. 如图D-10所示,U=120V、R1=30、R2=10、R3=20、R4=15,求I1、I2、I4、U1和U4。
图D-10
20. 某正弦电流的初相为30°,在t=T/2时,瞬时值为0.4A,求这个正弦电流的有效值。
19. 有一单相全波整流电路,要求输出直流电压为110V,电流为3A。试计算Udrm和Id的值。
18. 将220V、100W的灯泡接在220V的电源上,允许电源电压波动±10%(即242~198V),求最高电压和最低电压时灯泡的实际功率。
