相关题目
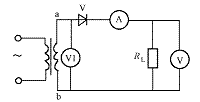
39. 如图D-20所示电路中,已知RL=82,电压表V的读数为110V。试求:(1)直流安培表A的读数;(2)交流伏特表V1的读数;(3)二极管所承受的最高反向电压。
图D-20
38. 日光灯电路是由日光灯管和镇流器(可视为纯电感绕组)串联而成,现接在频率为50Hz的交流电源上,测得流过灯管的电流为0.366A,灯管两端电压为110V,镇流器两端电压190V,试求:(1)电源电压U为多大?(2)灯管的电阻R为多大?(3)镇流器电感L为多大?(4)日光灯的功率为多大?
37. 某三相变压器二次侧的电压是6000V,电流是20A,已知功率因数cos =0.866,问这台变压器的有功功率、无功功率和视在功率各是多少?
36. 一台额定容量Se=31500kVA的三相变压器,额定电压U1e=220kV,U2e=38.5kV,求一次侧和二次侧的额定电流Ie1和Ie2。
35. 有一台三相电动机绕组,接成三角形后接于线电压U1=380V的电源上,电源供给的有功功率P1=8.2kW,功率因数为0.83,求电动机的相、线电流。若将此电动机绕组改连成星形,求此时电动机的线电流、相电流及有功功率。
34. 某三相变压器的二次侧电压400V,电流是250A,已知功率因数cos =0.866,求这台变压器的有功功率P、无功功率Q和视在功率S各是多少?
33. 有一块表头的量程是100A,内阻Rg=1k,如把它改装成一个量程为3、30V和300V的多量程伏特表,内部接线如图D-19所示,求R1和R2+R3的数值。
图D-19
32. 用电阻法测一铜线的温度,如果20℃时线圈电阻为0.64,升温后电阻为0.72,求此时的温度t[=0.004(1/℃)]。
31. 有一长2km、截面积为4mm2的铜导线,试求导线的电阻为多大?( =0.0175mm2/m)
30. 已知加在C=100F电容器上电压uC=20sin(103t+ 60°)V。求电流的有效值、无功功率QC以及uC达到最大值时,电容所储存的能量。
