相关题目
单选题
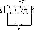
8. 标出图E-15中通电螺线管内A点,轴线上B、N点,管外C点的磁场方向。
图E-15
单选题
7. 图E-13为载流导体在磁场中向上运动,画出导线内电流方向。
图E-13
单选题
6. 图E-11中通电导体在磁场中向下运动,标出电源的正、负极,以及磁铁的N、S极。
图E-11
单选题
5. 两导线中电流方向如图E-9所示,在图中标出通电导线间相互作用力的方向。
图E-9
单选题
4. 图E-7中电流I的方向是磁铁B插入线圈时产生的电流方向,试标出磁铁B的N、S极。
图E-7
单选题
3. 根据图E-5中电流方向及导线在磁场中受力方向,标出N、S极。
图E-5
单选题
2. 根据图E-3所示电路,画出电压和电流的相量图。
图E-3
单选题
1. 根据图E-1所示电路,画出电压U和电流I的相量图。
图E-1
单选题
83. 如图D-24所示电路中各元件参数的标么值,
求(1)
、
点三相短路时短路电流的大小。(2)
三
相短路时流过110kV线路始端开关中的短路容量的大小。(取Sj=100MWA,Uj=UP)
图D-24
单选题
82. 如图D-23所示电路,计算出图中各元件的电抗标么值,
点短路时短路回路总电抗
(取Sj=100MWA,Uj=UP)。
图D-23
