相关题目
单选题
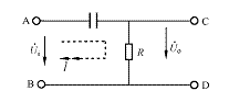
15. 图E-25所示电路中,CD两端的输出电压
比AB两端的输入电压
的相位向前移动了一个角度,绘出该电路中各电压、电流相量图。
图E-25
单选题
14. 有3台电流互感器二次侧是星形接线,其中B相极性相反,画出其电流的相量图。
单选题
13. 画出中性点非直接接地系统中,当单相(A相)接地时,其电压相量图。
单选题
12. 画出具有重复接地时,当保护零线断线后的接地电流示意图。
单选题
11. 图E-21中,哪个装置是在供给能量?哪个装置是在消耗能量(图中U、I方向为真实方向)?
图E-21
单选题
10. 标出图E-19中三个小磁针在磁场中各自偏转后的方向。
图E-19
单选题
9. 标出图E-17中切割磁力线的导体中的感应电流的方向。
图E-17
单选题
8. 标出图E-15中通电螺线管内A点,轴线上B、N点,管外C点的磁场方向。
图E-15
单选题
7. 图E-13为载流导体在磁场中向上运动,画出导线内电流方向。
图E-13
单选题
6. 图E-11中通电导体在磁场中向下运动,标出电源的正、负极,以及磁铁的N、S极。
图E-11
