相关题目
单选题
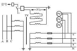
12. 图F-4为小电流接地系统交流绝缘监视的原理接线图,说明工作原理。
图F-4
单选题
11. 按图F-3说明通常采用的开关事故跳闸音响监视回路是如何工作的?
图F-3
单选题
10. 如图F-2说明储能电容器组进行定期检查的工作原理。
图F-2
单选题
9. 图F-1为闪光装置的接线图,说明其作用。
图F-1
单选题
8. 电力网电能损耗中的理论线损由哪几部分组成?
单选题
7. 什么是沿面放电?影响沿面放电电压的因素有哪些?
单选题
6. 测量绝缘电阻的作用是什么?
单选题
5. 什么叫绝缘的介质损失?测量介质损失有什么意义?
单选题
4. 试述金属氧化物避雷器保护性能的优点。
单选题
3. 电力系统中产生铁磁谐振过电压的原因是什么?

