相关题目
单选题
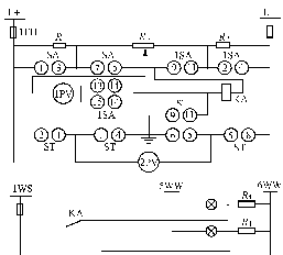
1)操作手柄竖直在断开位置,触点9-11、2-1接通,2PV测量母线电压。
单选题
14. 说明图F-6直流绝缘监视装置接线图各元件的作用。
图F-6
单选题
1KV是低电压监视继电器,正常电压1KV励磁,其常闭触点断开,当电压降低到整定值时,1KV失磁,其常闭触点闭合,1GP光字牌亮,发出音响信号。2KV是过电压继电器,正常电压时2KV失磁其常开触点在断开位置,当电压过高超过整定值时2KV励磁,其常开触点闭合,2GP光字牌亮,发出音响信号。
单选题
13. 图F-5为直流母线电压监视装置电路图,说明其作用。
单选题
12. 图F-4为小电流接地系统交流绝缘监视的原理接线图,说明工作原理。
图F-4
单选题
11. 按图F-3说明通常采用的开关事故跳闸音响监视回路是如何工作的?
图F-3
单选题
10. 如图F-2说明储能电容器组进行定期检查的工作原理。
图F-2
单选题
9. 图F-1为闪光装置的接线图,说明其作用。
图F-1
单选题
8. 电力网电能损耗中的理论线损由哪几部分组成?
单选题
7. 什么是沿面放电?影响沿面放电电压的因素有哪些?
