相关题目
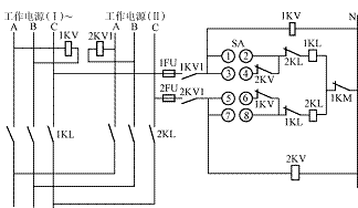
15. 如图F-7变压器强油循环风冷却器工作和备用电源自动切换回路的切换过程。
图F-7
3)手柄继续顺时旋转到Ⅱ位,测负极对地绝缘电阻。
(3)电阻R1、R2和R3都是1k,组成平衡电桥的两臂。
2)手柄顺时旋转到Ⅰ位,测正极对地绝缘电阻。
1)手柄竖直是信号位置,触点5-7、9-11接通,ST断开位置9-11接通,经电流继电器KA组成工作电路。
3)手柄顺转45°正极对地,触点1-2、5-6接通,2PV测量正极对地。
若两极对地绝缘良好,则对地电压都指0V。若有一极接地,则接地极对地电压为0V,另一极对地电压为额定电压。
(2)绝缘监视转换开关1SA也有三个位置:
2)手柄逆转45°负极对地,触点5-8、1-4接通,2PV测量负极对地。
1)操作手柄竖直在断开位置,触点9-11、2-1接通,2PV测量母线电压。
14. 说明图F-6直流绝缘监视装置接线图各元件的作用。
图F-6
1KV是低电压监视继电器,正常电压1KV励磁,其常闭触点断开,当电压降低到整定值时,1KV失磁,其常闭触点闭合,1GP光字牌亮,发出音响信号。2KV是过电压继电器,正常电压时2KV失磁其常开触点在断开位置,当电压过高超过整定值时2KV励磁,其常开触点闭合,2GP光字牌亮,发出音响信号。
13. 图F-5为直流母线电压监视装置电路图,说明其作用。
