相关题目
单选题
5.>设备改造是为了消除设备的( )。
单选题
4.>反映工程项目实际造价和投资效果的是( )。
单选题
3.>当调节同步发电机励磁电流等于正常励磁电流时,发电机向系统输送( )。
单选题
2.>绕线式异步电动机的最大电磁转矩与转子回路电阻的大小( )。
单选题
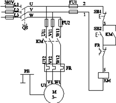
1.>恢复线路送电的操作顺序是( )。
单选题
30. 异步电动机的空载起动时间比原来增长了,但空载运行时,电磁声仍比较正常,空载电流亦无明显变化。当带负载后,电流波动,判断是转子鼠笼条有少量的断裂。( )
单选题
29. 发电机转子的悬挂式护环使用的弹性键,一般为开口键。在压键前先找出键口位置,方法是可用敲打经手感振动程度找出键口处。( )
单选题
28. 对带电设备着火时,应使用干式灭火器、一氧化碳灭火器等灭火,不得使用泡沫灭火器灭火。对注油设备应用泡沫灭火器或干燥的沙子等灭火。( )
单选题
27. 经检查发现由于电动机负载过重,使得直流电动机不能起动,现用提高电源电压的方法使电机起动。( )
单选题
26. 在多数电刷下发生直径在1mm的球状火花或滴状黄色火花时,电刷的接触面上沿转动方向覆盖有无光泽的黑带,这种火花对整流子不会损坏。( )

