相关题目
单选题
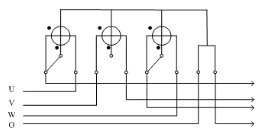
878、指出下图中所示三相电能表测量接线有何异常( )。
单选题
877、迎峰度夏工作面临哪些严峻的形势?
单选题
876、国网公司为了夯实施工现场的安全管理基础,制定了哪些施工管理计划标准?
单选题
875、高处作业时,梯子的支柱应能承受攀登时( )的总重量。
单选题
874、上下脚手架应走斜道或梯子,禁止作业人员沿( )等攀爬。
单选题
873、腰带和保险带、绳( )。
单选题
872、安全带的挂钩或绳子( )。
单选题
871、在屋顶及其他危险的边沿工作,临空一面应装设( ),否则,作业人员应使用安全带。
单选题
870、在5级及以上的大风以及( )、沙尘暴等恶劣天气下,应停止露天高处作业。
单选题
869、高处作业应( )。
