相关题目
单选题
32.()方式供电系统可以有条件的适用于易燃、易爆场所。
单选题
31.()方式供电系统只适用于三相负载基本平衡的情况。
单选题
30.低压配电系统采用保护线PE与中性线N分开的接地型式的文字代号为()。
单选题
29.当负载电压()电源线电压时,负载应采用三角形联结。
单选题
28.线电压是相电压的()。
单选题
27.在电气工程中,变压器的容量就是用()表示的。
单选题
26.闭合回路中的一段电路,如果不含电动势,仅有电阻,那么这段电路就被称为一段()。
单选题
25.()是电气设备长时间工作所允许通过的最大电流。
单选题
24.电流的方向规定为()运动的方向。
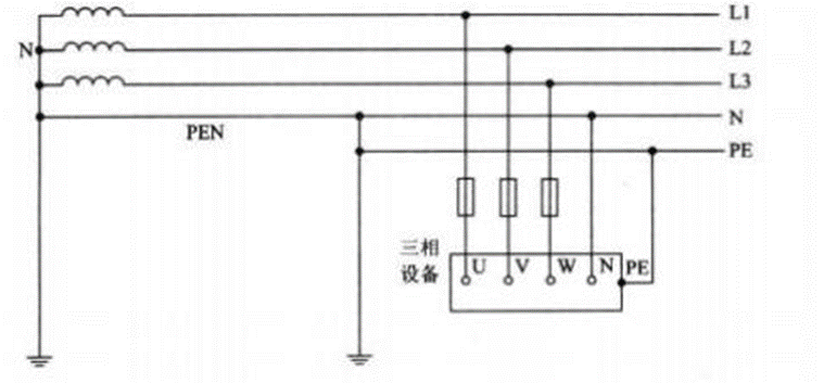
单选题
23.下图所示的低压配电系统的接地形式为()。
