相关题目
单选题
72.水炮系统适用于扑灭()。
单选题
71.以下火灾中,细水雾灭火系统可用于扑灭()火灾。
单选题
70.以下火灾中,细水雾灭火系统不适用的火灾是()。
单选题
69.细水雾灭火系统不可以扑灭()火灾。
单选题
68.系统额定工作压力为10MPa的细水雾灭火系统,属于()系统。
单选题
67.高压细水雾灭火系统额定工作压力大于或等于()MPa。
单选题
66.低压细水雾灭火系统额定工作压力小于()MPa。
单选题
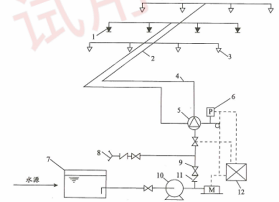
65.下图中,”1”表示的是水喷雾灭火系统组成的()。
单选题
64.下图中,”9”表示的是水喷雾灭火系统组成的()。
单选题
63.下图中,”9”表示的是水喷雾灭火系统组成的()。
