相关题目
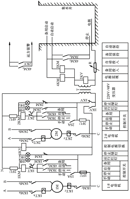
单选题
Je3F5066如图F-4所示,说明水电站渗漏集水井排水泵的控制过程(要求说明自动、备用和手动控制过程)。
单选题
Je3F5065如图F-3所示,说明厂用高压开关的操作过程,要求说明合闸、分闸和“防跳”过程。(图中:YO是开关的合闸线圈,YR是开关的分闸线圈,KL是开关的防跳跃闭锁继电器,KOFS是跳闸位置继电器,KOS是合闸位置继电器,KMP是保护跳闸接点,SA是开关的分、合闸操作把手,QFO是开关的动合辅助接点,QFOF是开关的动断辅助接点。)
单选题
Je3F4064论述桥式整流电路为什么能将交流电变换为直流电?
单选题
Je3F4063如图F-1所示,说明厂用6kV中性点不接地系统中绝缘监视装置的原理,及接地后的处理。
单选题
Je3F4062发电机大轴接地电刷是不是可有可无,为什么?
单选题
Je3F2061为什么有些低压线路中用了自动空气开关后,还要串联交流接触器?
单选题
Je3F2060论述电网电能损耗中的理论线损的组成和特点?
单选题
Je4F4059发电机的定子铁芯为什么不用整块硅钢做成,而要用硅钢片叠装而成?
单选题
Je4F4058论述水轮机顶盖上为什么要装真空破坏阀?
单选题
Je4F3057论述为什么现代中大型电机交流绕组一般都采用双层绕组?
